|
|
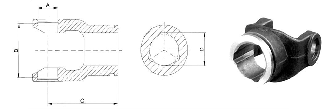
TRIANGULAR TUBE YOKE LEMON TUBE YOKE |

| Code. | A mm | B mm | C mm | TUBE RE D mm | ||||
| 1.06 | 22 | 54 | 80 | 1.03 | ||||
| 1.07 | 1.04 | |||||||
| 2.06 | 23.8 | 61.3 | 84 | 2.03 | ||||
| 2.07 | 2.04 | |||||||
| 3.06 | 27 | 90 | 92 | 4.03 | ||||
| 3.07 | 4.04 | |||||||
| 4.06 | 27 | 74.6 | 92 | 4.03 | ||||
| 4.07 | 4.04 | |||||||
| 28.06 | 28 | 70.2 | 84 | 4.03 | ||||
| 28.07 | 4.04 | |||||||
| 5.06 | 30.2 | 80 | 98 | 5.03 | ||||
| 5.07 | 5.04 | |||||||
| 32.06 | 32 | 76 | 98 | 5.03 | ||||
| 32.07 | 5.04 | |||||||
| 6.06 | 30.2 | 92 | 106 | 6.03 | ||||
| 6.07 | 6.04 | |||||||
| 36.06 | 36 | 89 | 106 | 7.03 | ||||
| 36.07 | 7.04 | |||||||
| 7.06 | 30.2 | 106.5 | 117 | 7.03 | ||||
| 7.07 | 7.04 | |||||||
| 7N.06 | 35 | 94 | 106 | 7.03 | ||||
| 7N.07 | 7.04 | |||||||
| 8.06 | 35 | 106.5 | 127 | 8.03 | ||||
| 8.07 | 8.04 | |||||||
| 9.06 | 41 | 108 | 132 | 9.03 | ||||
| 9.07 | 9.04 | |||||||
| 10.06 | 41 | 118 | 137 | 10.03 | ||||
| 10.07 | 10.04 | |||||||
| 38.06 | 38 | 57 | 109 | 7.03 | ||||
| 38.07 | 7.04 | |||||||

| Code. | A mm | B mm | C mm | D mm | TUBE REF E mm | |||
| 1.06L | 22 | 54 | 80 | 30 | 1.03L | |||
| 1.07L | 23.7 | 1.04L | ||||||
| 2.06L | 23.8 | 60.3 | 84 | 41.2 | 4.03L | |||
| 2.07L | 34.5 | 4.04L | ||||||
| 3.06L | 27 | 70 | 92 | 41.2 | 4.03L | |||
| 3.07L | 34.5 | 4.04L | ||||||
| 4.06L | 27 | 74.6 | 92 | 41.2 | 4.03L | |||
| 4.07L | 34.5 | 4.04L | ||||||
| 28.06L | 28 | 70.2 | 84 | 41.2 | 4.03L | |||
| 28.07L | 34.5 | 4.04L | ||||||
| 5.06L | 30.2 | 80 | 98 | 48 | 6.03L | |||
| 5.07L | 39.5 | 6.04L | ||||||
| 32.06L | 32 | 76 | 98 | 48 | 6.03L | |||
| 32.07L | 39.5 | 6.04L | ||||||
| 6.06L | 30.2 | 92 | 106 | 48 | 6.03L | |||
| 6.07L | 39.5 | 6.04L | ||||||
| 7N.06L | 35 | 94 | 106 | 48 | 6.03L | |||
| 7N.07L | 39.5 | 6.04L | ||||||
| 36.06L | 36 | 89 | 106 | 48 | 6.03L | |||
| 36.07L | 39.5 | 6.04L | ||||||